Product id: Ranch king pull best sale behind mower parts
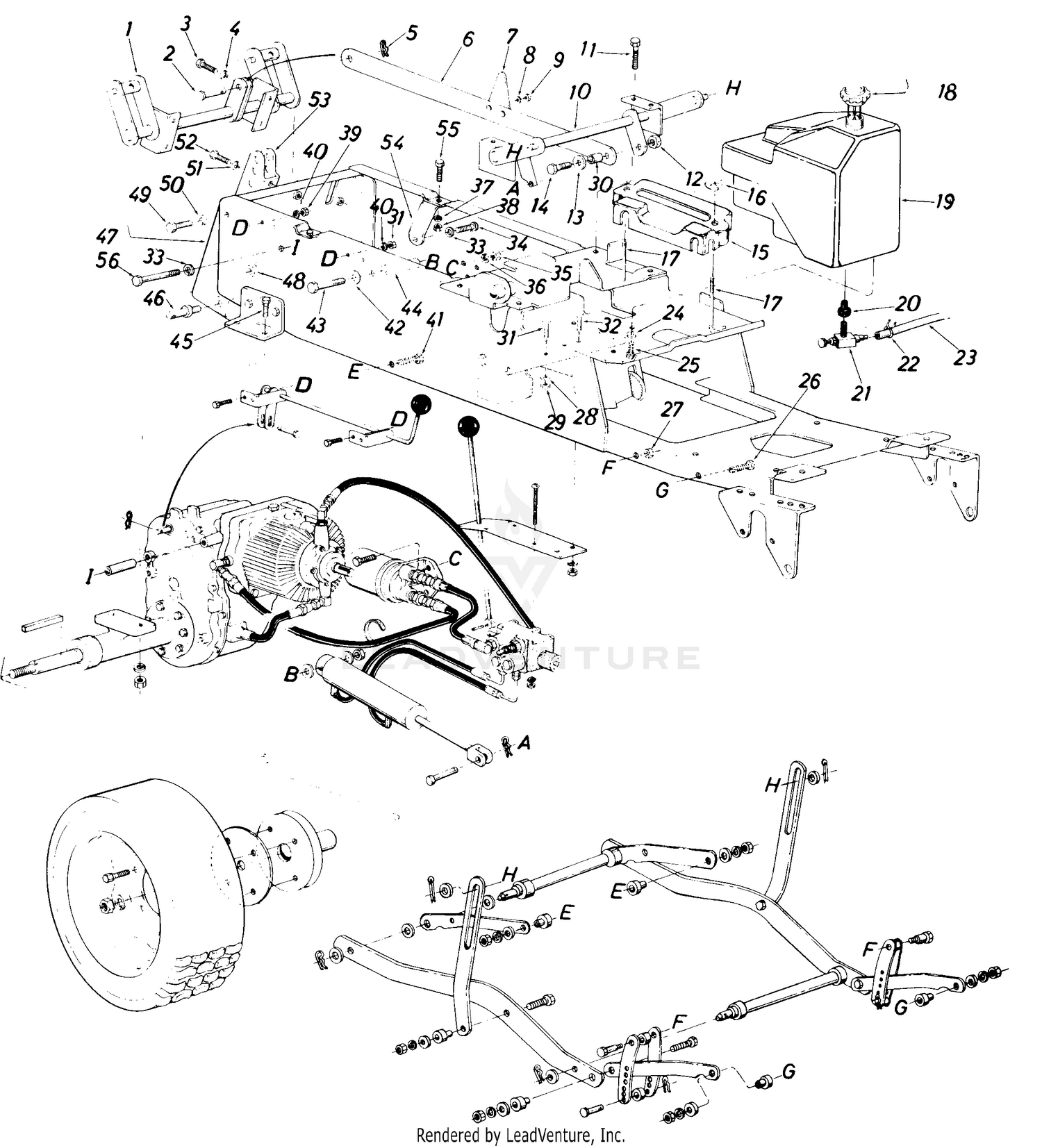
Swisher Ranch King 60 best sale, MTD Ranch King Mdl 139 652F205 Parts Diagram for 38 best sale, Swisher Ranch King T844 CH G 44 best sale, MTD Ranch King Mdl 130 800H205 Parts Diagram for 46 best sale, Swisher Ranch King pull behind mower best sale, MTD Ranch King Mdl 130 670G205 Parts Diagram for 42 best sale, Swisher Ranch King T844 CH G 44 best sale, Swisher Ranch King T844 CH G 44 best sale, MTD Ranch King Mdl 130 650G205 Parts Diagram for 42 best sale, MTD Ranch King 146 834 205 Parts Diagram for Steering best sale, Swisher Ranch King pull behind mower best sale, Swisher Ranch King 60 best sale, Swisher Ranch King 60 best sale, swisher ranch king 60 best sale, Ranch King Lawn Tractor Owner s Manual PDF Carburetor Motor Oil best sale, Ranch King by MTD 14AT818H205 2003 PartsWarehouse best sale, Farm King Finishing Mower Heavy Duty White s Farm Supply best sale, Swisher Ranch King pull behind mower best sale, STENS Mulching Blade for MTD Ranch King Troy Bilt Yard Machines best sale, MTD Ranch King 18 46 Lawn Tractor With Bagger All Manuals And best sale, MTD Ranch King Mdl 131 650G205 Parts Diagram for Deck G best sale, Swisher Ranch King 60 best sale, Ranch King by MTD 11B 508C205 2003 PartsWarehouse best sale, Outdoor Power Equipment Parts Outdoor Power Equipment The Home best sale, 22505x82B Ranch King 22 best sale, Waverly Minnesota Bolens Lawn Tractors and Lawn Equipment Barn best sale, MTD Ranch King Mdl 139 652F205 Parts Diagram for 38 best sale, Ranch King 820H Parts best sale, MTD Ranch King Mdl 995 Hydrostatic best sale, Swisher 44 in. 14.5 HP Gas 12V Kawasaki Pro Brush King 4 Wheeled best sale, MTD Ranch King 4 Wheel Steer Riding Mower Steering Column eBay best sale, Ranch King 11A 083B205 Ranch King Walk Behind Mower 2003 best sale, MTD Ranch King Mdl 130 800H205 Parts Diagram for 46 best sale, STENS Mulching Blade for MTD Ranch King Troy Bilt Yard Machines best sale, MTD Ranch King 18 46 Lawn Tractor With Bagger All Manuals And best sale, Help Identifying Model of Ranch King My Tractor Forum best sale, Murray 42517x82A Ranch King 42 Lawn Tractor 2000 Mower Housing best sale, FARM KING Finish Mower Parts best sale, MTD Ranch King 146 834 205 Parts best sale, Ranch King RK 185H46 A Ranch King Lawn Tractor 1999 MOWER DECK best sale, FARM KING Finish Mower Parts best sale, MTD Ranch King Mdl 141 849h205 Parts Diagram for 28 Inch Tiller best sale, SWISHER Commercial Pro 44 in. 14.5 HP 12 Volt Kawasaki Pull Behind best sale, Is the MTD Ranch King a garden or a lawn tractor My Tractor Forum best sale, Brinly Tow Behind Lawn Sweeper Review best sale, MTD Ranch King 136 734 205 Parts02 best sale, Ranch King 11B 022B205 Ranch King Walk Behind Mower 2002 best sale, FARM KING Finish Mower Parts best sale, Lawn Mower DECK Drive BELT for MTD Ranch King Agway 754 0371A 954 best sale, MTD Ranch King Mdl 131 670G205 Parts Diagrams best sale.
Swisher Ranch King 60 best sale, MTD Ranch King Mdl 139 652F205 Parts Diagram for 38 best sale, Swisher Ranch King T844 CH G 44 best sale, MTD Ranch King Mdl 130 800H205 Parts Diagram for 46 best sale, Swisher Ranch King pull behind mower best sale, MTD Ranch King Mdl 130 670G205 Parts Diagram for 42 best sale, Swisher Ranch King T844 CH G 44 best sale, Swisher Ranch King T844 CH G 44 best sale, MTD Ranch King Mdl 130 650G205 Parts Diagram for 42 best sale, MTD Ranch King 146 834 205 Parts Diagram for Steering best sale, Swisher Ranch King pull behind mower best sale, Swisher Ranch King 60 best sale, Swisher Ranch King 60 best sale, swisher ranch king 60 best sale, Ranch King Lawn Tractor Owner s Manual PDF Carburetor Motor Oil best sale, Ranch King by MTD 14AT818H205 2003 PartsWarehouse best sale, Farm King Finishing Mower Heavy Duty White s Farm Supply best sale, Swisher Ranch King pull behind mower best sale, STENS Mulching Blade for MTD Ranch King Troy Bilt Yard Machines best sale, MTD Ranch King 18 46 Lawn Tractor With Bagger All Manuals And best sale, MTD Ranch King Mdl 131 650G205 Parts Diagram for Deck G best sale, Swisher Ranch King 60 best sale, Ranch King by MTD 11B 508C205 2003 PartsWarehouse best sale, Outdoor Power Equipment Parts Outdoor Power Equipment The Home best sale, 22505x82B Ranch King 22 best sale, Waverly Minnesota Bolens Lawn Tractors and Lawn Equipment Barn best sale, MTD Ranch King Mdl 139 652F205 Parts Diagram for 38 best sale, Ranch King 820H Parts best sale, MTD Ranch King Mdl 995 Hydrostatic best sale, Swisher 44 in. 14.5 HP Gas 12V Kawasaki Pro Brush King 4 Wheeled best sale, MTD Ranch King 4 Wheel Steer Riding Mower Steering Column eBay best sale, Ranch King 11A 083B205 Ranch King Walk Behind Mower 2003 best sale, MTD Ranch King Mdl 130 800H205 Parts Diagram for 46 best sale, STENS Mulching Blade for MTD Ranch King Troy Bilt Yard Machines best sale, MTD Ranch King 18 46 Lawn Tractor With Bagger All Manuals And best sale, Help Identifying Model of Ranch King My Tractor Forum best sale, Murray 42517x82A Ranch King 42 Lawn Tractor 2000 Mower Housing best sale, FARM KING Finish Mower Parts best sale, MTD Ranch King 146 834 205 Parts best sale, Ranch King RK 185H46 A Ranch King Lawn Tractor 1999 MOWER DECK best sale, FARM KING Finish Mower Parts best sale, MTD Ranch King Mdl 141 849h205 Parts Diagram for 28 Inch Tiller best sale, SWISHER Commercial Pro 44 in. 14.5 HP 12 Volt Kawasaki Pull Behind best sale, Is the MTD Ranch King a garden or a lawn tractor My Tractor Forum best sale, Brinly Tow Behind Lawn Sweeper Review best sale, MTD Ranch King 136 734 205 Parts02 best sale, Ranch King 11B 022B205 Ranch King Walk Behind Mower 2002 best sale, FARM KING Finish Mower Parts best sale, Lawn Mower DECK Drive BELT for MTD Ranch King Agway 754 0371A 954 best sale, MTD Ranch King Mdl 131 670G205 Parts Diagrams best sale.
- ranch king pull behind mower parts
- cub cadet pull behind mower
- pull rope for small engine
- fertilizer spreader for ride on mower
- parts for swisher pull behind mower
- pull behind trailer for lawn tractor
- pulling mower parts
- atv pull behind brush cutter
- lawn tractor pull behind cart
- pull behind lawn mower wagon